
Panzerkampfwagen I (zkráceně PzKpfw I nebo Panzer I) byl lehký německý tank vyvíjený v první polovině 30. let 20. století. Jeho hlavním účelem bylo sloužit jako výcvikové vozidlo pro posádky a otestovat koncepce obrněné války. Byl vyzbrojen pouze dvěma kulomety a měl slabé pancéřování, takže v bojových podmínkách rychle zastaral. Přesto sehrál důležitou roli v počátcích druhé světové války, zejména během invaze do Polska (1939) a Francie (1940). Panzer I položil základy pro vývoj modernějších a silnějších německých tanků.

Tank Panzer III byl německý střední tank používaný během druhé světové války. Vyvíjen byl koncem 30. let jako hlavní bitevní tank Wehrmachtu a měl původně sloužit k boji proti jiným obrněncům. Byl vyzbrojen kanónem ráže 37 mm (později 50 mm) a měl dobrou mobilitu. Jeho pancéřování však s postupem války přestalo stačit proti modernějším spojeneckým tankům, a proto byl postupně nahrazován výkonnějším Panzerem IV a později tankem Panther. I přesto sehrál Panzer III klíčovou roli v raných bleskových válkách a kampaních v Polsku, Francii, severní Africe i Sovětském svazu.

Tank Panther, oficiálně označený jako Panzerkampfwagen V Panther, byl německý střední tank nasazený během druhé světové války. Byl vyvinut jako odpověď na sovětský T-34 a poprvé se objevil v bitvě u Kurska v roce 1943. Panther kombinoval silné pancéřování, výkonný kanón KwK 42 L/70 ráže 75 mm a dobrou mobilitu, což z něj činilo jeden z nejlepších tanků války. Navzdory technické vyspělosti trpěl složitou konstrukcí a častými poruchami, zejména v počátečních fázích nasazení. Byl používán až do konce války a výrazně ovlivnil poválečný vývoj tankové techniky.

Panther II byl pokročilou verzí německého středního tanku Panther, vyvíjenou během druhé světové války. Jeho cílem bylo zvýšit pancéřovou ochranu a zjednodušit výrobu. Měl mít silnější čelní pancíř, jednotné součásti s těžkým tankem Tiger II a plánovanou výzbroj tvořil opět kanón ráže 75 mm KwK 42 L/70. Přestože projekt sliboval zlepšení bojových vlastností, byl nakonec opuštěn kvůli složitosti výroby a prioritě jiných typů. Postaven byl pouze jeden prototyp, který se nikdy nedostal do boje.

Tiger I, oficiálně Panzerkampfwagen VI Tiger Ausf. E, byl těžký německý tank nasazený během druhé světové války od roku 1942. Byl vyzbrojen výkonným kanónem KwK 36 ráže 88 mm, který si dokázal poradit s většinou spojeneckých tanků na velkou vzdálenost. Měl silné pancéřování, ale zároveň trpěl vysokou hmotností, mechanickou nespolehlivostí a náročnou výrobou. Tiger I se proslavil na východní frontě i v severní Africe a stal se symbolem německé tankové síly, přestože byl nasazen v relativně malém počtu.

Tiger II, známý také jako Königstiger (Královský tygr), byl nejmocnější těžký tank, který Německo nasadilo během druhé světové války. Spojoval silné pancéřování s dlouhým kanónem KwK 43 ráže 88 mm, schopným prorazit jakýkoli spojenecký tank na velké vzdálenosti. Jeho čelní pancíř byl téměř neprostupný, ale vysoká hmotnost (přes 68 tun) způsobovala problémy s pohyblivostí, poruchovostí a spotřebou paliva. Tiger II byl nasazen od roku 1944, většinou v elitních jednotkách, a přestože byl obávaným protivníkem, jeho složitá výroba a technické potíže omezily jeho skutečný dopad na válku.

Wespe (Sd.Kfz. 124) bylo německé samohybné dělo z druhé světové války. Vzniklo na podvozku tanku Panzer II a neslo houfnici 10,5 cm leFH 18. Díky své mobilitě a palebné síle poskytovalo účinnou dělostřeleckou podporu. Nasazeno bylo od roku 1943, vyrobeno bylo asi 680 kusů. Pro porovnání ruské SU-76m

Hummel (německy „čmelák“) bylo německé samohybné dělostřelecké vozidlo používané během druhé světové války. Bylo vyvinuto v roce 1942 jako odpověď na potřebu mobilní dělostřelecké podpory pro obrněné jednotky Wehrmachtu. Vozidlo bylo postaveno na kombinovaném podvozku tanků Panzer III a IV a bylo vyzbrojeno houfnicí 15 cm sFH 18, schopnou ničit cíle na velkou vzdálenost. Hummel měl otevřenou bojovou věž, která poskytovala obsluze jen omezenou ochranu. Vozidlo bylo nasazeno na východní i západní frontě a prokázalo se jako účinný prostředek dělostřelecké podpory.

Grille 15 bylo plánované německé samohybné dělostřelecké vozidlo z konce druhé světové války, které však nikdy nepřekročilo fázi prototypu. Mělo být vyzbrojeno výkonným protitankovým kanónem 15 cm PaK L/63, určeným k ničení těžce obrněných cílů na velké vzdálenosti. Vozidlo mělo být postaveno na prodlouženém podvozku tanku Panther, s otevřenou bojovou věží umístěnou vzadu. Grille 15 představovalo snahu spojit mobilitu s palebnou silou těžkého dělostřelectva, ale kvůli zhoršující se válečné situaci a nedostatku zdrojů nebylo nikdy zařazeno do výroby.

Jagdpanzer 38, známý také jako Hetzer, byl německý stíhač tanků nasazený během druhé světové války. Byl vyvinut v roce 1944 jako lehké, levné a snadno vyráběné vozidlo na podvozku československého tanku Panzer 38(t). Hetzer byl vyzbrojen účinným protitankovým kanónem 7,5 cm PaK 39 L/48 a měl nízký profil, což usnadňovalo maskování. Díky šikmému pancéřování poskytoval dobrou ochranu navzdory své menší velikosti. Jagdpanzer 38 byl nasazován na východní i západní frontě a stal se jedním z nejefektivnějších německých stíhačů tanků konce války.

Jagdpanther byl německý těžký stíhač tanků používaný během druhé světové války. Byl postaven na podvozku tanku Panther a vyzbrojen výkonným protitankovým kanónem 8,8 cm KwK 43, který dokázal zničit většinu spojeneckých tanků na velkou vzdálenost. Díky silnému pancéřování a dobré mobilitě byl Jagdpanther jedním z nejefektivnějších stíhačů tanků své doby. Nasazoval se především na východní frontě a v západní Evropě v pozdějších fázích války.

Jagdtiger byl německý těžký stíhač tanků z druhé světové války, založený na podvozku těžkého tanku Tiger II. Byl vyzbrojen mohutným kanónem 12,8 cm PaK 44, který patřil k nejsilnějším protitankovým zbraním té doby. Jagdtiger měl silné pancéřování, ale kvůli své váze trpěl nízkou mobilitou a častými technickými problémy. Byl nasazen jen v omezeném počtu, především na západní frontě, kde sloužil k likvidaci těžce obrněných nepřátelských vozidel.

**Messerschmitt Bf 109** byl německý stíhací letoun a jeden z nejvýznamnějších a nejrozšířenějších stíhačů druhé světové války. Vyvinutý koncem 30. let firmou Messerschmitt, sloužil po celou válku na všech frontách. Bf 109 vynikal vysokou rychlostí, dobrou stoupavostí a silnou výzbrojí. Byl používán v různých verzích jako stíhač, stíhací bombardér i průzkumný letoun. Mezi jeho nejznámější piloty patří **Erich Hartmann**, nejúspěšnější stíhač v dějinách letectví. Bf 109 se stal symbolem německého letectva (Luftwaffe) a zůstal ve službě i po válce v několika zemích.

**Focke-Wulf Fw 190** byl německý stíhací letoun používaný během druhé světové války, považovaný za jedno z nejlepších bojových letadel své doby. Byl nasazen od roku 1941 a doplňoval i částečně nahrazoval známější Messerschmitt Bf 109. Fw 190 měl hvězdicový motor, výborné letové vlastnosti, silnou výzbroj a byl vhodný jak pro stíhací, tak i útočné a bombardovací mise. Letoun si rychle získal respekt spojeneckých pilotů a sehrál klíčovou roli na západní i východní frontě. Díky různým verzím byl Fw 190 velmi univerzální a sloužil až do konce války.

**Heinkel He 111** byl německý střední bombardér, který se stal jedním z hlavních bombardovacích letounů Luftwaffe během druhé světové války. Byl navržen již v 30. letech jako civilní dopravní letadlo, aby skryl jeho vojenský účel před mezinárodními dohodami. He 111 měl charakteristický zasklený „skleníkový“ čumák a mohl nést až 2 000 kg bomb. Byl hojně nasazen během bitvy o Británii, ve Španělsku, na východní frontě i v severní Africe. Přestože byl v pozdějších letech zranitelný vůči moderním stíhačům, zůstal ve službě po celou válku díky své spolehlivosti a všestrannosti.
**Junkers Ju 88** byl německý víceúčelový bombardér, který patřil k nejvšestrannějším a nejpoužívanějším letounům Luftwaffe během druhé světové války. Navržen jako rychlý střední bombardér, Ju 88 se díky své konstrukci osvědčil také jako noční stíhač, střemhlavý bombardér, torpédový letoun a průzkumný stroj. Měl dvoumotorovou koncepci, vysokou rychlost a kapacitu pro nesení různých typů výzbroje. Ju 88 byl nasazen na všech hlavních frontách války a vyráběl se ve velkém množství – vzniklo přes 15 000 kusů. Jeho flexibilita a výkon z něj učinily jeden z nejdůležitějších letounů nacistického Německa.



**Bismarck** byla slavná německá bitevní loď druhé světové války, pojmenovaná po kancléři Otto von Bismarckovi. Byla spuštěna na vodu v roce 1939 a byla jednou z největších a nejmocnějších bitevních lodí své doby. Bismarck byla vyzbrojena osmi děly ráže 380 mm a silně pancéřována. V květnu 1941 se proslavila během operace Rheinübung, kdy potopila britský křižník **HMS Hood**, ale poté byla sama po rozsáhlém pronásledování potopena britským loďstvem. Potopení Bismarcku se stalo symbolem námořního boje druhé světové války.

**U-boat typ VII** byla nejpočetnější a nejpoužívanější třída německých ponorek během druhé světové války. Byla navržena jako oceánská ponorka středního doletu a stala se páteří německých ponorkových sil (Kriegsmarine). Typ VII byl kompaktní, spolehlivý a relativně snadno vyrobitelný, přičemž jeho hlavní výzbrojí byly torpéda a palubní kanón. Tyto ponorky sehrály klíčovou roli v bitvě o Atlantik, kde útočily na spojenecké konvoje. I přes počátečné úspěchy začaly být ke konci války zranitelné vůči pokročilým protiponorkovým taktikám a technologiím. Přesto zůstává typ VII ikonou německého ponorkového loďstva.



**Luger P08**, oficiálně **Pistole Parabellum**, byla německá samonabíjecí pistole, která se stala ikonickou zbraní první i druhé světové války. Byla vyvinuta Georgem Lugerem na přelomu 19. a 20. století a používala náboj **9×19 mm Parabellum**, který se později stal jedním z nejrozšířenějších pistolových kalibrů na světě. Pistole byla známá svým charakteristickým kloubovým závěrem a precizním zpracováním. Luger P08 byla standardní výzbrojí německé armády během první světové války a používala se i ve druhé světové válce. Mezi vojáky i sběrateli je dodnes ceněna pro svou historii a technickou zajímavost.

**Mauser C96** byla německá samonabíjecí pistole vyráběná od roku 1896 firmou Mauser. Pro svůj nezaměnitelný vzhled – dlouhou hlaveň, pevnou dřevěnou pažbu a charakteristický schránkový zásobník před spouští – si vysloužila přezdívky jako „Broomhandle“ (koštěti podobná rukojeť). Pistole používala náboj **7,63×25 mm Mauser**, který byl ve své době jedním z nejvýkonnějších pistolových nábojů. C96 byla používána v mnoha konfliktech – od búrských válek přes první světovou válku až po španělskou občanskou válku. Oblíbili si ji nejen vojáci, ale i důstojníci, revolucionáři a dobrodruzi po celém světě.

**MP28** byl německý samopal vyvinutý na konci první světové války jako vylepšená verze slavného **MP18**, prvního masově nasazeného samopalu. Do výzbroje se dostal po roce 1928 a používal se především policií a speciálními jednotkami, ale později i během druhé světové války. MP28 střílel náboje **9×19 mm Parabellum** a byl zásobován bočním schránkovým zásobníkem. Měl poloautomatický i plně automatický režim střelby, což zvyšovalo jeho univerzálnost. Samopal se vyznačoval spolehlivostí a jednoduchou konstrukcí a kromě Německa byl vyráběn i licenčně v několika dalších zemích.

**MP40** (Maschinenpistole 40) byl německý samopal používaný během druhé světové války, známý svou jednoduchostí, spolehlivostí a charakteristickým sklápěcím kovovým pažbením. Byl vyvinut jako levnější a efektivnější nástupce staršího MP38 a používal náboje **9×19 mm Parabellum**. MP40 měl poměrně nízkou kadenci, což zvyšovalo jeho ovladatelnost při střelbě. Byl určen především pro výsadkáře, tankisty a poddůstojníky, ale postupně se rozšířil napříč celou německou armádou. Díky své kvalitě a ikonickému vzhledu se stal jedním z nejznámějších samopalů druhé světové války.
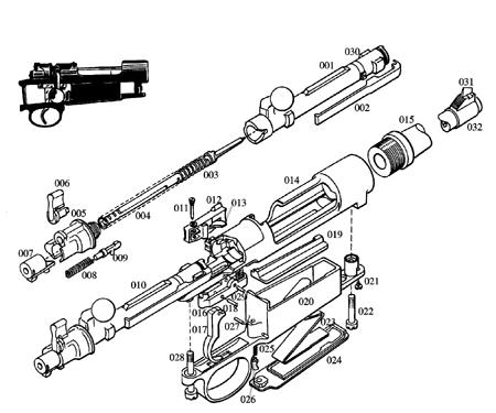
.jpg)
**Karabiner 98k** (Kar98k) byla základní standardní puška německé armády během druhé světové války. Jednalo se o opakovací pušku na náboj **7,92×57 mm Mauser**, která vycházela z osvědčené konstrukce pušky Mauser. Kar98k byl spolehlivý, přesný a robustní, což z něj činilo ideální zbraň pro pěchotu. Díky své účinnosti a jednoduchosti se stal jedním z nejrozšířenějších a nejznámějších opakovacích pušek 20. století. Často byl doplněn o zaměřovací dalekohled a používán i jako odstřelovací puška.

**Sturmgewehr 44 (StG 44)** byla první masově vyráběná útočná puška na světě, vyvinutá Německem během druhé světové války. Kombinovala vlastnosti pušky a samopalu a používala střední náboj **7,92×33 mm Kurz**, který umožňoval efektivní střelbu na střední vzdálenosti i rychlou palbu v automatickém režimu. StG 44 měla vysokou přesnost, dobrou průbojnost a spolehlivost. Její konstrukce významně ovlivnila vývoj moderních útočných pušek, včetně slavného AK-47. StG 44 byla nasazena především na východní frontě v pozdějších fázích války.

**MG34** byl německý univerzální kulomet zavedený v roce 1934 a používán během druhé světové války. Byl navržen tak, aby plnil funkci jak lehkého, tak těžkého kulometu díky rychlé výměně hlavně a různým způsobům použití (na stativu i z ramene). Střílel náboje **7,92×57 mm Mauser** a vynikal vysokou kadencí střelby a přesností. MG34 byl velmi inovativní a stal se předchůdcem slavnějšího MG42. Díky své všestrannosti a spolehlivosti byl klíčovou zbraní německé pěchoty.

**MG42** byl německý těžký kulomet zavedený v roce 1942, známý svou extrémně vysokou kadencí střelby a spolehlivostí. Střílel náboje **7,92×57 mm Mauser** a díky rychlému střelivu dokázal vytvořit hustou palbu, která zastrašovala nepřítele. MG42 byl jednoduše vyráběný a snadno se udržoval, což z něj učinilo jednu z nejefektivnějších zbraní druhé světové války. Jeho design ovlivnil mnoho poválečných kulometů a používá se dodnes v moderních verzích, například jako MG3 v německé armádě.



**Maus** byl německý supertěžký tank vyvíjený během druhé světové války a je dodnes největším a nejtěžším tankem, jaký kdy byl postaven. Váha tanku přesahovala 180 tun, což výrazně omezovalo jeho mobilitu. Byl vyzbrojen mohutným kanónem ráže **128 mm** a doplněn sekundární zbraní. Maus měl velmi silné pancéřování, které jej prakticky činilo neprůstřelným, ale jeho obrovská velikost a technické problémy zabránily nasazení do bojů. Projekt Maus zůstal spíše technickou kuriozitou než praktickou bojovou zbraní.
**Schwerer Gustav** byl obří německý železniční kanón vyvinutý během druhé světové války. S kalibrem **800 mm** šlo o největší dělo, jaké kdy bylo postaveno. Mělo obrovský dostřel a mohlo ničit pevnosti a těžce obrněné cíle na velké vzdálenosti. Schwerer Gustav vážil přes 1 300 tun a jeho přesun i příprava k palbě vyžadovaly složitou logistiku a mnoho hodin práce. Kanón byl použit například při obléhání Sevastopolu, ale kvůli své velikosti a omezené mobilitě měl omezené taktické využití.

**V-1**, známá také jako **Fieseler Fi 103** nebo „létající bomba“, byla první nasazená střela s řízeným pohonem používaná Německem během druhé světové války. Byla poháněna pulsním proudovým motorem a sloužila jako dálková samonaváděcí střela, určená k útokům na cíle v Británii a Belgii. V-1 měla omezenou přesnost, ale způsobila značné škody a paniku. Její použití představovalo začátek éry moderních řízených střel a bezpilotních letounů.

**Horten Ho 229** byl německý experimentální proudový stíhací letoun s netradičním bezocasým deltovým tvarem, vyvinutý ke konci druhé světové války. Díky svému tvaru a pohonu měl potenciál být jedním z prvních stealth letadel, protože byl obtížně detekovatelný radarem. Ho 229 byl poháněn dvěma proudovými motory a měl vysokou rychlost. Projekt však zůstal ve fázi prototypu a nebyl nasazen do bojů. Letoun představoval významný krok v leteckém designu a ovlivnil budoucí vývoj stealth technologií.

**Landkreuzer** byl koncept německého supertěžkého tanku z druhé světové války, který nikdy nebyl realizován. Cílem projektu bylo postavit obrovské obrněné vozidlo s extrémně silným pancéřováním a mohutnou výzbrojí, které by dominovalo na bojišti. Mezi plánované varianty patřily například Landkreuzer P. 1000 „Ratte“ a P. 1500 „Monster“, vážící několik tisíc tun. Kvůli technickým, logistickým a strategickým omezením byly tyto projekty zrušeny a zůstaly pouze v nákresové fázi jako symboly ambiciózních, ale nepraktických zbraní nacistického Německa.



**T-34** byl sovětský střední tank, který se stal jedním z nejvlivnějších a nejúspěšnějších tanků druhé světové války. Vyvinutý na počátku 40. let, kombinoval silné pancéřování, výkonný kanón ráže **76,2 mm** (později i 85 mm) a vynikající mobilitu díky širokým pásům a spolehlivému motoru. T-34 měl jednoduchou konstrukci, která umožňovala rychlou výrobu ve velkém množství. Díky své všestrannosti a odolnosti sehrál klíčovou roli v porážce nacistického Německa na východní frontě a ovlivnil design mnoha poválečných tanků.

**KV-1** byl sovětský těžký tank, nasazený na počátku druhé světové války. Byl známý svým silným pancéřováním, které v prvních fázích války prakticky žádný německý tank nebo protitankové dělo nedokázalo prorazit. Byl vyzbrojen kanónem **76,2 mm** a navzdory své hmotnosti měl slušnou pohyblivost. KV-1 sehrál důležitou roli při obraně Sovětského svazu, zejména během počáteční fáze německé invaze. Jeho hlavní nevýhodou byla složitá údržba a omezený výhled pro osádku. I přesto se stal symbolem sovětské odolnosti a síly na bojišti.

**IS-1** (Iosif Stalin 1) byl sovětský těžký tank vyvinutý na konci roku 1943 jako nástupce tanku KV-1. Byl pojmenován po Josifu Stalinovi a představoval první typ nové řady těžkých tanků Rudé armády. IS-1 byl vyzbrojen kanónem **76,2 mm**, měl silnější pancéřování a lepší mobilitu než jeho předchůdce. Přestože byl brzy nahrazen výkonnějším **IS-2** s kanónem ráže 122 mm, IS-1 znamenal důležitý krok v přechodu na modernější a účinnější těžkou obrněnou techniku Sovětského svazu.

**IS-3** (Iosif Stalin 3) byl sovětský těžký tank vyvinutý na konci druhé světové války, který se však do bojů už výrazněji nezapojil. Oproti předchozím modelům měl výrazně přepracovanou konstrukci – zejména šípovitý čelní pancíř a nízkou siluetu, což zvyšovalo jeho odolnost. Byl vyzbrojen silným kanónem **122 mm** a určen k průlomu silně bráněných pozic. IS-3 působil impozantně a jeho veřejné představení v roce 1945 na přehlídce v Berlíně vzbudilo silný dojem na Západ. Tank sloužil i po válce a ovlivnil design těžkých tanků během studené války.

**SU-85** byl sovětský stíhač tanků vyvinutý během druhé světové války jako reakce na silně obrněné německé tanky, zejména Tiger. Byl postaven na podvozku tanku **T-34** a vybaven výkonným kanónem **85 mm D-5T**, který dokázal ničit těžce obrněné cíle na větší vzdálenosti. Měl uzavřenou bojovou kabinu a nízký profil, což z něj činilo obtížně zasažitelný cíl. SU-85 se osvědčil jako spolehlivý a účinný prostředek protitankového boje, dokud nebyl nahrazen modernějším typem **SU-100**.

**ISU-122** byl sovětský těžký stíhač tanků a samohybné dělo, vyvinutý během druhé světové války na podvozku těžkého tanku **IS**. Byl vyzbrojen silným kanónem **A-19 ráže 122 mm**, který byl účinný proti německým těžkým tankům, jako byly Tiger a Panther. ISU-122 měl silné čelní pancéřování a uzavřenou bojovou kabinu pro lepší ochranu osádky. Kromě boje proti tankům byl často používán i k ničení opevnění a v městských bojích. Díky své palebné síle a odolnosti patřil k nejrespektovanějším sovětským obrněncům závěru války.

**ISU-152** byl sovětský těžký stíhač tanků a samohybné dělo, postavený na podvozku tanku **IS** a vyzbrojený mohutným houfnicovým kanónem **ML-20S ráže 152 mm**. Díky této zbrani byl přezdíván „zabiják tygrů“, protože dokázal zničit i nejtěžší německé tanky jediným zásahem – nejen průrazem, ale i tlakovou vlnou. ISU-152 byl rovněž účinný při ničení opevněných pozic a v městských bojích. Jeho nevýhodou byla pomalá kadence střelby a omezený počet nábojů, přesto se stal důležitou zbraní Rudé armády v závěrečných fázích války.

**SU-76** byl sovětský samohybný stíhač tanků a dělostřelecká podpora, který vznikl během druhé světové války. Byl postaven na podvozku lehkého tanku **T-70** a vyzbrojen kanónem **ZIS-3 ráže 76,2 mm**. Díky otevřené bojové kabině a jednoduché konstrukci byl levný na výrobu a snadno se opravoval. SU-76 byl nasazován k podpoře pěchoty, ničení lehce obrněných cílů a opevnění. I přes omezenou ochranu a palebnou sílu byl velmi rozšířený a stal se druhým nejpočetnějším sovětským obrněným vozidlem války po T-34.

**BM-13 „Kaťuša“** byl sovětský raketomet používaný během druhé světové války, známý pro svou ničivou salvu raket a výrazný zvuk při odpálení. Vystřeloval neřízené rakety **ráže 132 mm** z několika kolejnic umístěných na nákladním automobilu, což mu umožňovalo rychlý přesun a úder. Kaťuša nebyla tak přesná jako klasické dělostřelectvo, ale její psychologický efekt a schopnost zasáhnout širokou oblast z ní činily obávanou zbraň. Díky své jednoduchosti a účinnosti se stala ikonou sovětského raketového dělostřelectva.

**Ilyushin Il-2** byl sovětský útočný letoun druhé světové války, často přezdívaný „letecký tank“ díky své silné pancéřové ochraně. Byl navržen pro podporu pozemních jednotek, ničení tanků, opevnění a pěchoty. Il-2 byl vyzbrojen kanóny, kulomety a nesl pumy či rakety, což z něj činilo velmi efektivní zbraň v boji proti nepřátelské technice. Díky masové výrobě a odolnosti sehrál klíčovou roli ve vítězství Sovětského svazu na východní frontě a stal se jedním z nejvíce vyrobených bojových letounů své doby.

**Jakovlev Jak-3** byl sovětský lehký stíhací letoun z druhé světové války, ceněný pro svou vynikající manévrovatelnost, rychlost a spolehlivost. Byl navržen pro blízký vzdušný souboj a měl lehkou konstrukci, což mu umožňovalo rychlé reakce a obratnost v boji. Vyrobený ve velkém počtu, Jak-3 se stal jedním z nejúspěšnějších sovětských stíhačů, často nasazovaný proti německým letounům na východní frontě. Díky své efektivitě a jednoduchosti se proslavil jako oblíbený stroj sovětských pilotů.

**Tupolev Tu-2** byl sovětský střední bombardér vyvinutý během druhé světové války. Byl rychlý, obratný a měl dobrou nosnost, což ho činilo efektivním pro taktická bombardování a podpůrné mise. Tu-2 byl vybaven vícekanónovou obranou a mohl nést širokou škálu pum. Díky své všestrannosti a výkonům patřil mezi nejlepší sovětské bombardéry své doby a sloužil i po válce v různých armádách.

**Petljakov Pe-5** byl sovětský dvoumotorový bombardér vyvinutý během druhé světové války jako náhrada za starší typy. Měl lepší rychlost, dolet a výzbroj než jeho předchůdci a byl určen pro střemhlavé a taktické bombardování. Pe-5 se vyznačoval pevnou konstrukcí a dobrými letovými vlastnostmi, které mu umožňovaly operovat i v nejtěžších podmínkách východní fronty. Přestože nebyl vyráběn ve velkém množství, sehrál důležitou roli v sovětském letectvu v první polovině války.


**Kirov** byl sovětský bitevní křižník postavený v meziválečném období jako součást programu modernizace námořnictva. Byl silně vyzbrojený těžkými děly ráže 305 mm a měl robustní pancéřování, které mu umožňovalo bojovat s těžkými křižníky a menšími bitevními loděmi. Kirov byl navržen pro kombinaci rychlosti a palebné síly a sloužil jako významná součást sovětského válečného loďstva během druhé světové války. Jeho konstrukce ovlivnila další vývoj těžkých válečných lodí v Sovětském svazu.
**K-21** byla sovětská ponorka třídy **Katyusha**, postavená v 30. letech 20. století. Byla určena pro dálkové operace a vybavena torpédy i dělostřeleckou výzbrojí. K-21 se proslavila především během druhé světové války, kdy se účastnila bojů v Severním ledovém oceánu a kladla důraz na ochranu konvojů a útoky na nepřátelské lodě. Přestože nebyla nejmodernější ponorkou své doby, její výkony přispěly k sovětskému námořnímu úsilí během konfliktu.



**Tokarev TT-33** byla sovětská samonabíjecí pistole zavedená do výzbroje v roce 1933 jako náhrada za starší revolvery Nagant. Komorovaná pro výkonný náboj **7,62 × 25 mm Tokarev**, vynikala jednoduchou konstrukcí, spolehlivostí a snadnou údržbou. TT-33 byla široce používána během druhé světové války a stala se standardní služební zbraní Rudé armády. Její design byl inspirován americkou pistolí Colt M1911, ale výrazně zjednodušený. Po válce ovlivnila vývoj mnoha zbraní ve východním bloku.
**PPD-34** (Pistolet-Pulemjot Degtyareva 1934) byl raný sovětský samopal, vyvinutý konstruktérem Vasilijem Děgťarevem. Byl komorován pro náboj **7,62 × 25 mm Tokarev** a určen pro boj na krátké vzdálenosti. PPD-34 měl dřevěnou pažbu a zásobník na 25 nábojů, později vznikla i verze s bubnovým zásobníkem. Ačkoliv byl robustní a spolehlivý, jeho výroba byla náročná a nákladná, což vedlo k jeho postupnému nahrazení modernějším a jednodušším samopalem **PPSh-41** během druhé světové války.

**PPŠ-41** (Pistolet-Pulemjot Špagina 1941) byl slavný sovětský samopal, který se stal jedním ze symbolů Rudé armády během druhé světové války. Byl navržen Georgijem Špaginem jako jednoduchá, levná a masově vyráběná zbraň, vhodná pro boj v městských a zákopových podmínkách. Komorovaný pro náboj **7,62 × 25 mm Tokarev**, PPŠ-41 používal bubnový zásobník na 71 nábojů nebo schránkový na 35. Vyznačoval se vysokou kadencí a odolností, díky čemuž si získal oblibu mezi vojáky i po válce.

**Mosin-Nagant** byla slavná ruská a později sovětská opakovací puška, zavedená do výzbroje v roce 1891. Komorovaná pro náboj **7,62 × 54 mmR**, sloužila v mnoha verzích během obou světových válek. Vyznačovala se jednoduchostí, spolehlivostí a dlouhým dosahem. Mosin-Nagant byla základní zbraní pěchoty carské armády, Rudé armády i sovětských odstřelovačů, včetně slavného Vasilije Zajceva. Tato puška se vyráběla ve velkých počtech a zůstala ve službě po celém světě i dlouho po válce.
**SVT-40** (Samozarjadnaja Vintovka Tokareva 1940) byla sovětská samonabíjecí puška navržená Fjodorem Tokarevem jako modernější alternativa k opakovací pušce Mosin-Nagant. Komorovaná pro náboj **7,62 × 54 mmR**, nabízela vyšší kadenci a zásobník na 10 nábojů. SVT-40 byla nasazena během druhé světové války, zejména v prvních letech konfliktu. Ačkoliv byla technicky pokročilá, měla problémy s výrobou a údržbou v polních podmínkách, a proto byla postupně vytlačována jednoduššími zbraněmi. Přesto zůstává důležitým krokem ve vývoji sovětských samonabíjecích pušek.

**DP-27** (Degťarjov pechotnyj 1927) byl sovětský lehký kulomet zavedený do výzbroje Rudé armády ve 20. letech 20. století. Komorovaný pro náboj **7,62 × 54 mmR**, vyznačoval se jednoduchou konstrukcí, spolehlivostí a snadnou obsluhou. Typickým znakem kulometu byl talířový zásobník na 47 nábojů umístěný nahoře. DP-27 byl široce používán během druhé světové války jako základní podpůrná zbraň pěchoty. Jeho odolnost v náročných podmínkách a nenáročnost na údržbu z něj učinily oblíbenou zbraň sovětských vojáků.

**RPD** (Ručnoj Pulemjot Děgťarjova) byl sovětský lehký kulomet vyvinutý Vasilijem Děgťarjovem na konci druhé světové války a zavedený do výzbroje v roce 1944. Byl komorován pro náboj **7,62 × 39 mm**, stejný jako u útočné pušky AK-47. RPD používal pásové podávání nábojů a byl určen k podpoře pěchoty na úrovni družstva. Kulomet se vyznačoval jednoduchostí, nízkou hmotností a spolehlivostí. Sloužil v mnoha armádách východního bloku i rozvojových zemí během studené války a zůstává v omezeném použití dodnes.



**M3 Stuart** byl americký lehký tank používaný během druhé světové války. Byl vyzbrojen kanónem **37 mm** a několika kulomety, s důrazem na rychlost a pohyblivost spíše než na silné pancéřování. Stuart byl nasazen ve velkém množství spojeneckými armádami, včetně Velké Británie a Sovětského svazu (díky programu Lend-Lease). V počátečních fázích války se osvědčil v průzkumných a podpůrných rolích, ale později byl postupně nahrazován silnějšími tanky. Přesto si získal uznání pro svou spolehlivost a snadnou údržbu v terénu.

**M4 Sherman** byl hlavní americký střední tank druhé světové války a jeden z nejpočetněji vyráběných tanků v historii. Vyzbrojený kanónem **75 mm** (později i silnějšími verzemi), byl navržen jako univerzální tank pro podporu pěchoty i boj proti obrněným cílům. Sherman vynikal spolehlivostí, jednoduchou údržbou a dobrou pohyblivostí. Byl nasazován na všech frontách a používán nejen USA, ale i dalšími spojeneckými armádami. Přestože čelil silnější německé technice, jeho početní převaha, taktika a podpora hrály klíčovou roli ve spojeneckém vítězství.

**M26 Pershing** byl americký těžký (později klasifikovaný jako střední) tank zavedený koncem druhé světové války jako odpověď na silně pancéřované německé tanky, jako byly Tiger a Panther. Byl vyzbrojen výkonným kanónem **90 mm**, silným pancéřováním a moderním podvozkem. M26 Pershing se objevil v Evropě v roce 1945 a účastnil se bojů především v Německu. I když přišel pozdě na masivní nasazení ve válce, stal se základem pro poválečný vývoj amerických tanků a byl nasazen i během Korejské války.

**M7 Priest** byl americký samohybný dělostřelecký prostředek používaný během druhé světové války a Korejské války. Byl postaven na podvozku tanku **M3 Lee/M4 Sherman** a vyzbrojen houfnicí **105 mm**, která sloužila k palebné podpoře pěchoty. Svůj přezdívku „Priest“ (kněz) získal od Britů díky vyvýšenému držáku kulometu, který připomínal kazatelnu. M7 byl spolehlivý, mobilní a umožňoval rychlou reakci na měnící se bojové podmínky. Jeho nasazení výrazně zvýšilo efektivitu spojeneckého dělostřelectva na bojišti.

**M18 Hellcat** byl americký stíhač tanků nasazený během druhé světové války, známý především svou vysokou rychlostí – až **89 km/h**, což z něj činilo nejrychlejší pásové obrněné vozidlo války. Byl vyzbrojen kanónem **76 mm** a navržen pro rychlé manévry a přepadové útoky, nikoliv pro přímý střet s těžce pancéřovanými tanky. Díky své mobilitě a taktice „udeř a ustup“ byl velmi efektivní při zasahování nepřátelských obrněnců z výhodných pozic. M18 Hellcat sehrál důležitou roli zejména v evropském tažení spojenců.

**P-51 Mustang** byl americký stíhací letoun dlouhého doletu, který sehrál klíčovou roli ve druhé světové válce. Byl navržen jako doprovodný stíhač pro bombardéry nad Evropou a díky britskému motoru Rolls-Royce Merlin vynikal vysokou rychlostí, výbornou manévrovatelností a dlouhým doletem. Mustangy chránily spojenecké bombardéry při náletech na Německo a účinně zasahovaly i v boji proti nepřátelským letounům. Po válce sloužil i během Korejské války. P-51 je dodnes považován za jeden z nejlepších stíhacích letounů své doby.

**P-40 Warhawk** byl americký stíhací letoun nasazený během druhé světové války, známý především z působení jednotky „Létající tygři“ v Číně. Byl vyzbrojen kulomety a schopný nést i lehké pumy, což mu umožňovalo plnit stíhací i útočné úkoly. P-40 vynikal odolností, robustní konstrukcí a schopností operovat i v náročných podmínkách. Ačkoliv nebyl tak výkonný jako novější letouny, ve zkušených rukou byl efektivní a spolehlivý. Sloužil na mnoha bojištích, od severní Afriky až po Pacifik.

**B-17 Flying Fortress** byl čtyřmotorový americký těžký bombardér, který sehrál klíčovou roli ve strategickém bombardování nacistického Německa během druhé světové války. Vyzbrojen až **13 kulomety** a schopný nést velké množství pum, byl navržen pro přesné nálety z velké výšky. B-17 se proslavil svou odolností – mnohé stroje se i přes těžké poškození dokázaly vrátit na základnu. Letoun operoval především ve dne a byl symbolem americké letecké síly v Evropě. Díky své výdrži a výzbroji získal přezdívku „Létající pevnost“.

**B-24 Liberator** byl americký čtyřmotorový těžký bombardér používaný během druhé světové války. Vyznačoval se dlouhým doletem, vysokou nosností a schopností operovat ve velkých výškách. B-24 byl nasazen na mnoha frontách, včetně Evropy, Pacifiku a Afriky, a sloužil k bombardování průmyslových cílů, přístavů i železničních uzlů. Díky své univerzálnosti a výrobnímu množství patřil mezi nejdůležitější bombardéry USA během války. Jeho charakteristickým znakem byla plochá ocasní část a široké křídlo.



**Třída Essex** byla série amerických letadlových lodí postavených během druhé světové války. Byly to jedny z nejúspěšnějších a nejmasověji vyráběných letadlových lodí své doby. Lodě třídy Essex měly velkou výzbroj letadel, silné pancéřování a moderní radarové vybavení. Sloužily klíčovou roli v tichomořských bojích proti Japonsku a ovlivnily vývoj válečného námořnictva. Jejich konstrukce byla základem pro poválečné modernizace a některé sloužily i během studené války.
**Třída Gato** byla série amerických ponorek používaných během druhé světové války, které se staly páteří ponorkového boje v Pacifiku. Tyto ponorky měly dobrý dolet, silnou výzbroj v podobě torpéd a palubního děla a byly schopné dlouhodobých operací daleko od domova. Gato ponorky hrály klíčovou roli v potápění japonských lodí a narušování jejich zásobovacích tras. Jejich konstrukce byla základem pro pozdější americké ponorky a významně přispěla k vítězství spojenců v Pacifiku.



**Colt M1911** je slavná americká samonabíjecí pistole navržená Johnem Browningem a zavedená do výzbroje v roce 1911. Komorovaná pro náboj **.45 ACP**, proslula svou spolehlivostí, silnou palebnou silou a robustní konstrukcí. M1911 byla standardní služební pistolí americké armády během první a druhé světové války, Korejské i Vietnamské války. Díky své účinnosti a jednoduchosti se stala jednou z nejpopulárnějších a nejvlivnějších pistolí v historii.

**Thompson** byl slavný americký samopal, známý také jako „Tommy Gun“. Vyvinutý v 20. letech 20. století, byl komorován pro náboj **.45 ACP** a proslul vysokou kadencí střelby a spolehlivostí. Používal se široce během druhé světové války americkou armádou i policí v období prohibice. Thompson byl oblíbený pro svou přesnost a palebnou sílu na krátkou vzdálenost, a stal se ikonou v boji proti gangům i na bojištích po celém světě.

**Grease Gun** (oficiálně M3) byl americký samopal vyvinutý během druhé světové války jako levná a jednoduchá alternativa k samopalu Thompson. Byl komorován pro náboj **.45 ACP**, měl nízkou hmotnost a jednoduchou konstrukci. Díky svému tvaru a vzhledu dostal přezdívku „mazačková pistole“ (Grease Gun). Používal se hlavně u americké pěchoty a výsadkářů, byl snadno ovladatelný a spolehlivý, a zůstal v používání i po válce v různých armádách světa.

**M1 Garand** byla první americká samonabíjecí puška zavedená do výzbroje v roce 1936. Komorovaná pro náboj **.30-06 Springfield**, nabízela vysokou kadenci střelby a přesnost, což výrazně zlepšilo palebnou sílu pěchoty oproti opakovacím puškám. M1 Garand byla hlavní pěchotní zbraní USA během druhé světové války a Korejské války. Slavný generál Patton ji označil za „nejlepší pěchotní zbraň světa“ a stala se symbolem amerických vojáků v boji.

**M1903 Springfield** byla americká opakovací puška zavedená do výzbroje na začátku 20. století. Komorovaná pro náboj **.30-06 Springfield**, byla přesná a spolehlivá, což ji činilo oblíbenou u odstřelovačů i běžných pěšáků. Používala se během první světové války, druhé světové války a i později. Díky kvalitní konstrukci a účinnosti zůstala ve službě po mnoho let a je považována za jednu z ikonických amerických pušek své doby.

**M1918 Browning Automatic Rifle (BAR)** byl americký lehký kulomet zavedený během první světové války. Komorovaný pro náboj **.30-06 Springfield**, sloužil jako podpora pěchoty s vysokou kadencí střelby a mobilitou. BAR byl používán v obou světových válkách a dalších konfliktech díky své spolehlivosti a síle. Díky kombinaci přesnosti a palebné síly pomáhal jednotkám překonávat nepřátelské pozice a stal se důležitou zbraní americké armády.

**M2 Browning** je těžký kulomet americké výroby, navržený Johnem Browningem v roce 1918. Komorovaný pro náboj **.50 BMG (12,7 × 99 mm)**, je známý svou vysokou palebnou silou a spolehlivostí. Používá se k ničení lehce obrněných cílů, letadel a jako podpůrná zbraň pěchoty. M2 Browning slouží v armádách po celém světě už více než sto let a díky své účinnosti a odolnosti patří mezi nejikoničtější kulomety historie.



**Cromwell** byl britský střední tank používaný během druhé světové války. Vyznačoval se rychlostí, dobrou pohyblivostí a spolehlivým pancéřováním. Byl vybaven kanónem **75 mm**, který byl účinný proti většině nepřátelských tanků té doby. Cromwell se často používal k průlomovým a průzkumným misím, přičemž kombinoval rychlost s dostatečnou palebnou silou. Byl jedním z nejdůležitějších britských tanků na evropském bojišti a pomohl spojencům v osvobození Evropy.

**Churchill** byl britský těžký tank používaný během druhé světové války. Proslul svou silnou ochranou pancéřování a schopností překonávat těžký terén, včetně zákopů a příkopů. Byl vybaven kanónem různých kalibrů, včetně 75mm a později i výkonnějších děl. Churchill byl pomalejší než jiné tanky, ale díky své odolnosti a univerzálnosti sehrál důležitou roli v bojích, zejména v bitvách v Evropě a Severní Africe. Jeho robustnost mu zajistila reputaci spolehlivého obrněnce.

**Sexton** byl britský samohybný dělový vůz používaný během druhé světové války. Byl postaven na podvozku tanku **Sherman** a vyzbrojen houfnicí **25 liber (asi 88 mm)**. Sexton sloužil k palebné podpoře pěchoty a tankových jednotek, poskytoval rychlou a mobilní dělostřeleckou sílu přímo na bojišti. Díky své spolehlivosti a palebné síle byl velmi ceněný spojenci, zejména v evropském tažení.

**Crusader AA Mk II** byl britský samohybný protiletadlový vůz postavený na podvozku tanku Crusader během druhé světové války. Byl vybaven dvojicí kulometů **Bofors 20 mm** nebo podobnou lehkou protiletadlovou výzbrojí určenou k ochraně pozemních jednotek před nepřátelskými letadly. Crusader AA Mk II byl rychlý a obratný, což mu umožňovalo efektivně plnit úkoly protiletadlové obrany na bojišti, zejména v severoafrické kampani.

**Supermarine Spitfire** byl slavný britský stíhací letoun, který se proslavil během bitvy o Británii ve druhé světové válce. Díky své vynikající manévrovatelnosti, rychlosti a aerodynamickému designu s eliptickými křídly se stal symbolem odporu proti nacistickému letectvu. Spitfire byl postupně modernizován a nasazován po celou válku v různých verzích. Sloužil nejen v obranných, ale i útočných misích a zanechal trvalou stopu v historii letectví.

**Avro Lancaster** byl britský čtyřmotorový těžký bombardér, který patřil k nejvýznamnějším bombardérům spojenců během druhé světové války. Byl schopen nést mimořádně velké pumové náklady, včetně slavné „skákající bomby“ při náletech na přehrady. Díky své spolehlivosti, dlouhému doletu a silné výzbroji sehrál klíčovou roli v nočních strategických bombardovacích misích nad Německem. Lancaster se stal symbolem britského Královského letectva (RAF) a zanechal významnou stopu v dějinách letecké války.


**Třída HMS King George V** byla série britských bitevních lodí postavených před a během druhé světové války. Lodě této třídy, včetně slavné **HMS King George V**, byly vybaveny moderní výzbrojí, silným pancéřováním a výkonnými motory. Nesly hlavní děla ráže **356 mm** a účastnily se klíčových námořních operací, včetně potopení německé bitevní lodi Bismarck. Tato třída představovala vrchol britského válečného loďstva a hrála významnou roli v ochraně konvojů a boji o nadvládu na moři.
**HMS Ark Royal** byla slavná britská letadlová loď a jméno několika lodí Královského námořnictva. Nejznámější verzí byla letadlová loď spuštěná na vodu v roce 1937, která sehrála důležitou roli v raných fázích druhé světové války. Nesla stíhací a torpédové letouny, které se účastnily mnoha námořních operací, včetně útoku na německou bitevní loď **Bismarck**. Ark Royal se vyznačovala moderním hangárovým systémem a byla symbolem britské námořní letecké síly. Byla potopena v roce 1941 po zásahu torpédem, ale její jméno žilo dál v dalších generacích lodí.



**Webley** byl britský revolver, který sloužil jako standardní služební zbraň britské armády od konce 19. století až do poloviny 20. století. Nejznámější modely, jako **Webley Mk VI**, byly komorovány pro náboj **.455 Webley** a prosluly svou robustností, spolehlivostí a jednoduchou obsluhou. Revolver měl typický výklopný mechanismus pro rychlé nabíjení a vyhazování nábojnic. Používal se během obou světových válek a stal se ikonickou zbraní britských důstojníků.

**Sten Gun** byl britský samopal vyráběný během druhé světové války jako levná a jednoduchá zbraň pro výzbroj pěchoty. Komorovaný pro náboj **9 mm Parabellum**, vynikal nenáročnou konstrukcí a snadnou výrobou, což umožnilo masovou produkci. Sten byl široce používán britskými a spojeneckými silami, včetně partyzánských jednotek. I když měl problémy se spolehlivostí, jeho nízká cena a dostupnost z něj učinily důležitou zbraň války.

**Lee-Enfield No. 4** byl britský opakovací puška, která sloužila jako hlavní pěchotní zbraň britské armády během druhé světové války. Komorovaná pro náboj **.303 British**, vynikala vysokou kadencí střelby díky hladkému závěru a zásobníku na 10 nábojů. Byla přesná, spolehlivá a oblíbená mezi vojáky. No. 4 byla modernizovanou verzí starších modelů Lee-Enfield a zůstala ve službě i po válce. Stala se jednou z nejdéle sloužících opakovacích pušek v historii.

**Bren Gun** byl britský lehký kulomet, který se stal standardní podpůrnou zbraní pěchoty během druhé světové války. Komorovaný pro náboj **.303 British**, vynikal spolehlivostí, přesností a charakteristickým horním zásobníkem. Vyvinut byl na základě československého kulometu ZB vz. 26 a pojmenován podle měst **Brno** a **Enfield**. Bren byl používán v různých konfliktech až do 80. let a stal se ikonickou součástí britských ozbrojených sil.

**Vickers Machine Gun** byl britský těžký kulomet, který se používal od začátku 20. století až do druhé světové války. Komorovaný pro náboj **.303 British**, byl známý svou vysokou spolehlivostí a přesností při dlouhodobé palbě díky vodou chlazenému hlavni. Vickers sloužil v první světové válce i v meziválečném období a byl používán jako hlavní podpůrná zbraň pěchoty a na pevnostech. Díky své robustnosti a účinnosti byl jednou z nejrespektovanějších zbraní své doby.



**Type 95 Ha-Go** byl japonský lehký tank používaný během druhé světové války. Byl kompaktní, rychlý a obratný, vybavený kanónem ráže 37 mm a kulomety. Ha-Go sloužil hlavně v bojích na tichomořském bojišti, kde se uplatnil v rychlých útočných operacích i průzkumu. Přestože měl slabší pancéřování a zbraň ve srovnání s některými spojeneckými tanky, byl jedním z nejpočetnějších tanků japonské armády.

**Type 3 Chi-Nu** byl japonský střední tank vyvinutý během druhé světové války jako reakce na silnější spojenecké tanky. Byl vybaven výkonnějším kanónem ráže **75 mm**, který měl lepší průbojnost pancíře. Tank měl silnější pancéřování než předchozí modely, ale kvůli omezeným zdrojům a výrobním problémům byl vyroben v menším množství a nasazen až v pozdějších fázích války. Type 3 Chi-Nu představoval pokus Japonska zlepšit své tankové síly proti rostoucímu tlaku spojenců.
**Type 4 Ho-Ro** byl japonský samohybný dělostřelecký vůz z druhé světové války. Byl postaven na podvozku středního tanku Type 97 Chi-Ha a nesl houfnici ráže **150 mm**. Ho-Ro sloužil k podpoře pěchoty a tankových jednotek těžkou palbou na střední vzdálenosti. Kvůli omezené výrobě a logistickým problémům se do bojů dostal až v pozdějších fázích války, kde se uplatnil zejména v obranných operacích na tichomořských ostrovech.

**Ho-Ni III** byl japonský samohybný protitankový kanón z druhé světové války. Byl postaven na podvozku tanku **Type 97 Chi-Ha** a vybaven kanónem ráže **75 mm**, který měl lepší pancéřovací průbojnost než předchozí verze. Ho-Ni III měl uzavřenou věž, což poskytovalo lepší ochranu posádce. Používal se hlavně k podpoře pěchoty a ničení spojeneckých tanků, ale díky omezené výrobě a pozdnímu nasazení hrál v konfliktu omezenou roli.

**Mitsubishi A6M**, známý také jako **"Zero"**, byl japonský stíhací letoun používaný během druhé světové války. Proslul svou výjimečnou obratností, dlouhým doletem a lehkou konstrukcí. Zero dominoval v prvních letech války v tichomořském prostoru, kde soupeřil s americkými letouny. Jeho slabinou bylo slabší pancéřování a nedostatek sebevražedné odolnosti, ale i přesto zůstal symbolem japonského letectva díky své efektivitě v bojích.

**Nakajima B5N**, známý jako **"Kate"**, byl japonský torpédový bombardér používaný během druhé světové války. Byl hlavním letounem japonského námořnictva a sehrál klíčovou roli při útoku na Pearl Harbor. B5N byl vybaven torpédy i bombami a měl dobrý dolet a rychlost, což z něj činilo efektivní nástroj pro námořní útoky. Jeho design byl moderní pro svou dobu, ale později byl postupně nahrazován novějšími typy.


**Yamato** byla japonská bitevní loď a jedna z největších a nejsilněji ozbrojených lodí v historii. Postavena byla během druhé světové války a vybavena hlavními děly ráže **460 mm**, které patřily k nejsilnějším námořním zbraním vůbec. Yamato měla silné pancéřování a mohutnou výzbroj, ale kvůli rychlému rozvoji letectva a změně taktik se její role postupně zmenšovala. Byla potopena v roce 1945 během námořní bitvy u ostrova Okinawa.
**Kaga** byla japonská letadlová loď postavená v období mezi světovými válkami. Původně byla vyrobena jako bitevní loď, ale přestavěna na letadlovou loď, aby podporovala japonské námořní letectvo. Kaga sehrála klíčovou roli v raných fázích druhé světové války, včetně útoku na Pearl Harbor. Byla vybavena hangáry pro stíhací a bombardovací letouny. Loď byla potopena v roce 1942 během bitvy u Midway, což znamenalo těžkou ztrátu pro japonské námořnictvo.


**Nambu Typ 94** byl japonský pistolete samopal používaný během první poloviny 20. století, zejména ve druhé světové válce. Tento lehký samopal byl navržen pro podporu pěchoty a byl komorovaný pro náboj **8×22 mm Nambu**. Typ 94 byl známý svou kompaktností a jednoduchou konstrukcí, ale trpěl některými výrobními nedostatky, které ovlivňovaly spolehlivost. Přesto byl široce používán japonskými ozbrojenými silami v různých konfliktech.
**Typ 100** byl japonský samopal vyvinutý během druhé světové války jako standardní zbraň pro pěchotu. Komorovaný pro náboj **8×22 mm Nambu**, nabízelo lepší přesnost a spolehlivost než předchozí japonské samopaly. Typ 100 byl kompaktní, lehký a vhodný pro boj na krátké vzdálenosti. Používal se zejména v bojích na tichomořském bojišti a byl jedním z mála samopalů vyrobených přímo v Japonsku během války.
**Arisaka Typ 38** byla japonská opakovací puška používaná od začátku 20. století až do druhé světové války. Komorovaná pro náboj **6,5×50 mm Arisaka**, byla známá svou spolehlivostí, přesností a odolností v různých bojových podmínkách. Puška měla pevný bodák a byla standardní výzbrojí japonské pěchoty během mnoha konfliktů, včetně rusko-japonské války a druhé světové války. Typ 38 byl jedním z nejrozšířenějších japonských vojenských zbraní své doby.
**Nambu Typ 99** byla japonská služební pistole používaná během druhé světové války. Komorovaná pro náboj **8×22 mm Nambu**, nabízela lepší výkon než předchozí modely. Typ 99 byl robustní, spolehlivý a často vyzbrojoval důstojníky japonské armády. Díky jednoduché konstrukci a dobré ergonomii patřil mezi oblíbené pistole japonských vojáků.



**Carro Armato P40** byl italský těžký tank vyvinutý během druhé světové války. Byl navržen jako odpověď na silnější spojenecké tanky a měl výkonný kanón ráže **75 mm** a silnější pancéřování. Kvůli výrobním problémům a omezeným zdrojům se P40 vyráběl jen v malém množství a do bojů zasáhl až v pozdních fázích války. Přesto představoval významný krok v italském tankovém vývoji.

**Semovente 75/18** byl italský samohybný protitankový kanón používaný během druhé světové války. Byl postaven na podvozku tanku **Carro Armato M13/40** a vybaven kanónem ráže **75 mm**, který byl účinný proti lehčím a středním tankům. Semovente 75/18 sloužil především k podpoře pěchoty a ničení nepřátelských obrněných vozidel. Díky nízkým nákladům a jednoduché konstrukci byl vyráběn ve větším množství a hrál důležitou roli v italských vojenských operacích.

**Macchi C.200 Saetta** byl italský stíhací letoun používaný během druhé světové války. Byl známý svou spolehlivostí, obratností a pevnou konstrukcí. C.200 měl dobrý manévrovací výkon, ale byl slaběji vyzbrojen a neměl pancéřování srovnatelné s některými spojeneckými letouny. Přesto byl důležitou součástí italského letectva a bojoval zejména na Středozemním moři a ve východní Africe.


**Al Littorio** byla italská bitevní loď třídy Littorio, postavená před druhou světovou válkou. Byla jednou z nejmodernějších a nejsilněji vyzbrojených lodí italského královského námořnictva, vybavená těžkými děly ráže 381 mm. Al Littorio se účastnila několika významných námořních bitev ve Středozemním moři a představovala klíčovou sílu italské flotily.



**Carcano M91** byla italská opakovací puška zavedená do výzbroje v roce 1891. Komorovaná pro náboj **6,5×52 mm Carcano**, byla lehká a spolehlivá zbraň, používaná italskou armádou během obou světových válek. Puška měla jednoduchý a odolný design, ale oproti některým soupeřům měla slabší zastavovací sílu náboje. Přesto byla hlavní pěchotní zbraní Itálie po mnoho desetiletí.
**Beretta M38** byl italský samopal vyvinutý během druhé světové války. Komorovaný pro náboj **9×19 mm Parabellum**, byl známý svou spolehlivostí, kompaktností a přesností. M38 se používal hlavně u italské pěchoty a policejních jednotek a stal se jedním z nejúspěšnějších italských samopalů té doby. Díky robustní konstrukci a dobré ovladatelnosti byl oblíbený mezi vojáky.

